菜单导航
水泵系列
首页 泳池设备 水泵系列

水泵系列

碳钢内衬胶快开式毛发收集器-水泵系列
水泵系列

碳钢内衬胶快开式毛发收集器-水泵系列

产品简介

...

服务保障

免费配送
免费安装
2年质保
专业售后

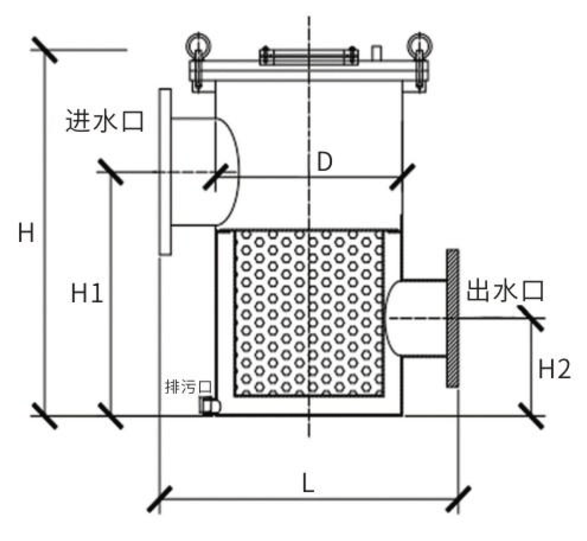
产品特点:

快开式设计;

顶部观察视窗;

316 L不锈钢提篮式过滤筒,便于清理;

过滤筒眼总面积:大于2.5倍接管截面积。

WL-CSPF系列碳钢内衬胶快开式毛发收集器参数表.png

WL-CSPF系列碳钢内衬胶快开式毛发收集器结构图.png

需要专业的选型建议?

我们的技术顾问可以根据您的需求,为您推荐最适合的方案

技术顾问在线

陈工程师

陈工程师

泳池设备专家|15年经验

在线咨询

服务热线

18326037575

工作时间: 全年365天24小时在线

相关产品推荐